Double-Acting Pneumatic Air Cylinders

The Tolomatic double acting pneumatic air cylinder offers the widest variety of sizes and options

Double acting pneumatic air cylinders offer a cost savings over rod cylinders when strokes exceed four feet and provide a versatile space-saving design.

  • Strokes up to 7308 mm (287 in). Using couplers stroke lengths of 18 m (720 in) are possible
  • 9 different bore sizes from 13 to 127 mm (1/2 to 5 in)
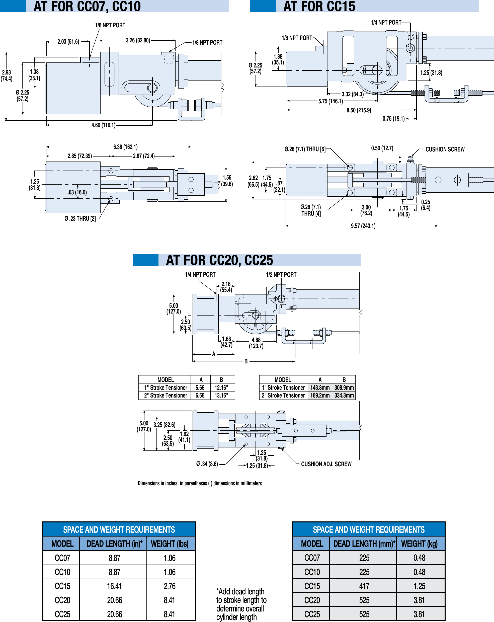
  • Optional auto tensioners keeps cable rigid and extends cable and gland seal life
  • 3-ported heads for convenient connection
  • Aluminum tube standard; steel option available for strength
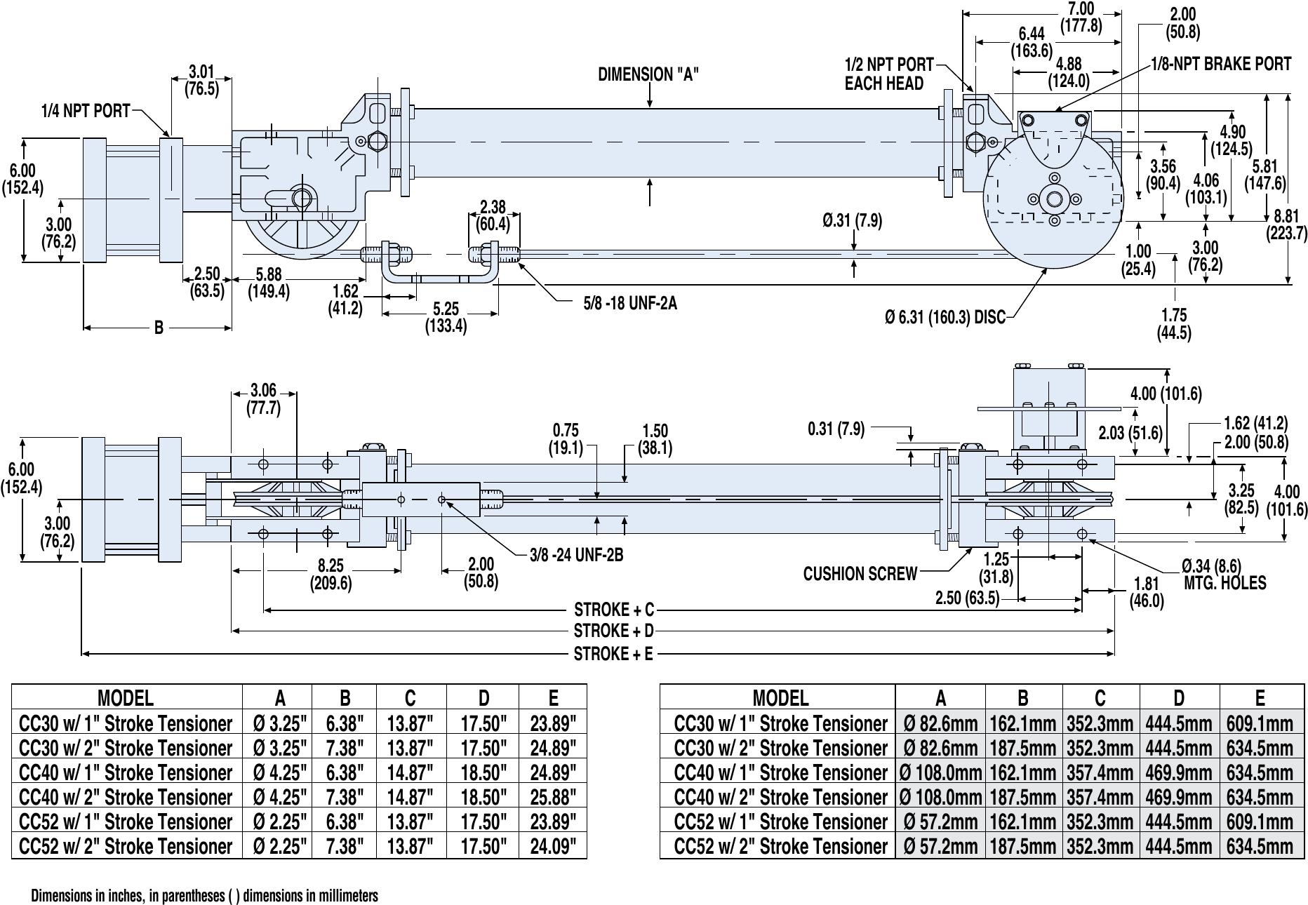
  • Caliper disc brake option for additional holding force in vertical applications

Double-Acting Pneumatic Air Cylinder Bore Size

Size CC 05 CC 07 CC 10 CC 15 CC 20 CC 25 CC 30 CC 40 CC 50 CC 52
Standard 0.50 in 0.75 in 1.00 in 1.50 in 2.00 in 2.50 in 3.00 in 4.00 in 5.00 in 2.00 in
Metric 13 mm 19 mm 25 mm 38 mm 51 mm 64 mm 76 mm 102 mm 127 mm 51 mm

Double-Acting Pneumatic Air Cylinder Max Stroke

Size CC 05 CC 07 CC 10 CC 15 CC 20 CC 25 CC 30 CC 40 CC 50 CC 52
Standard 60 in 138 in 282 in 280 in 281 in 281 in 280 in 279 in 134 in 280 in
Metric 1,524 mm 3,505 mm 7,163 mm 7,112 mm 7,137 mm 7,137 mm 7,112 mm 7,087 mm 3,404 mm 7,112 mm

Double-Acting Pneumatic Air Cylinder Max Force

Size CC 05 CC 07 CC 10 CC 15 CC 20 CC 25 CC 30 CC 40 CC 50 CC 52
Standard 19 lbf 43 lbf 78 lbf 174 lbf 618 lbf 972 lbf 1,398 lbf 1,249 lbf 1,919 lbf 1,532 lbf
Metric 85 N 191 N 347 N 774 N 2,749 N 4,324 N 6,219 N 5,556 N 8,536 N 6,815 N

Use the links below to locate a Tolomatic distributor in your area, find out more information on how to specify and configure your actuator, service parts information, and selection guidelines and tips.

Find a Tolomatic distributor