ACS Servo Drive / Servo Controller and Motors - Discontinuation in Process

ACS Servo Drive / Servo Controller and Motors

ACS Servo Drive / Servo Controller and Motors - Discontinuation in Process

Product discontinuation in process for ACS Stepper and Servo Drives. 
Please contact Tolomatic with questions or options for new applications.

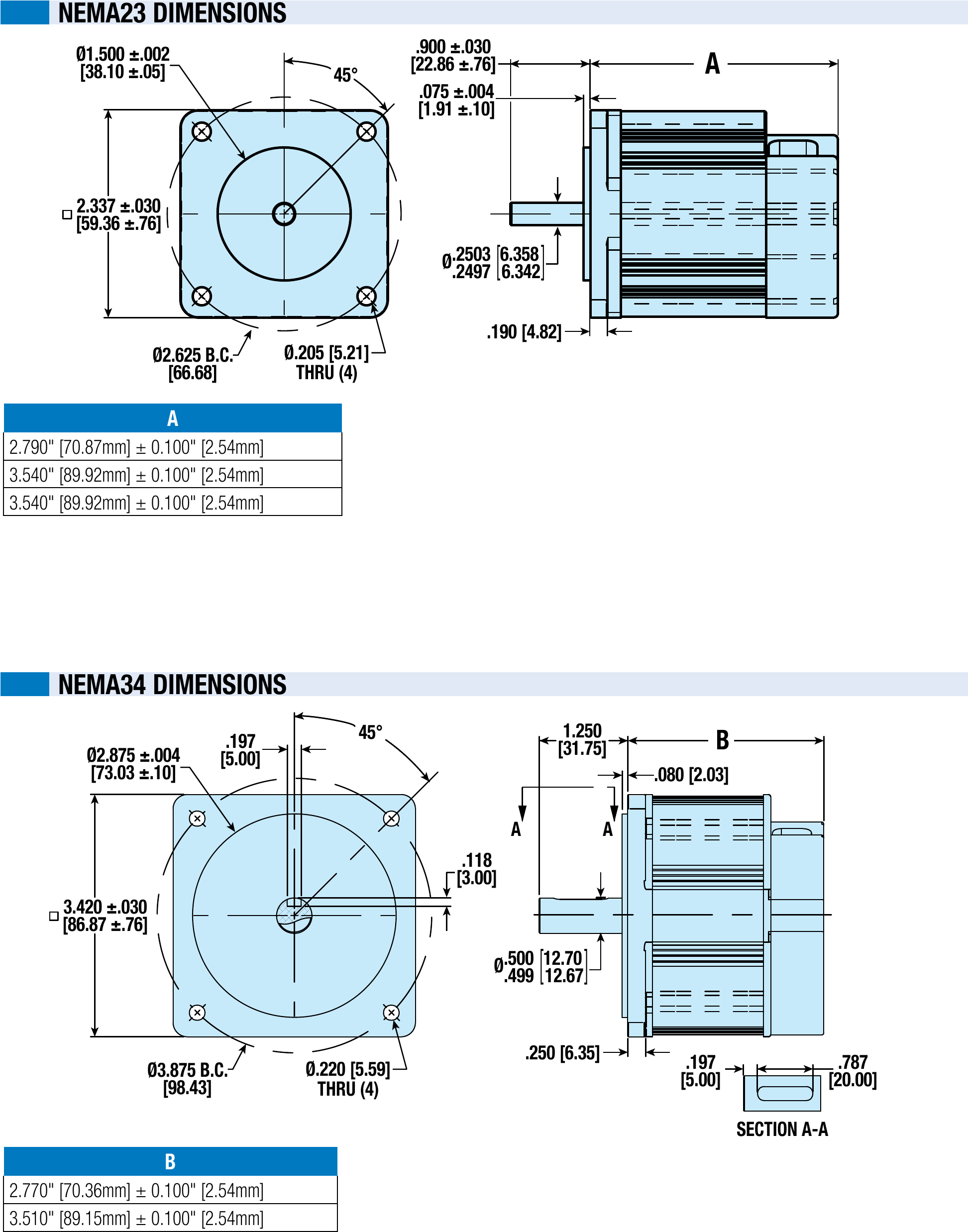
The ACS servo drive creates a low cost, easy-to-use single axis actuator solution.

The ACS is an easy-to-use, low cost servo drive developed specifically for electric actuators.  Simply select the configured Tolomatic

ACS Servo Drive / Controller basic features include:

  • Easy Operating Modes: Index move, pneumatic, and analog postions (0-10 Vdc or 4-20 mA)
  • Controlled using Modbus RTU Network Mode over RS485 provides infinite positioning capability or configurable digital I/O (24 Vdc Opto-Isolated)(NPN or PNP) for up to 16 move commands
  • High current brake output
  • Easy to use Tolomatic Motion Interface (TMI) configuration software knows the actuator mechanics, no need to calculate 
  • Options for gearhead and inline brakes.
  • See more features 

EtherNet/IP option includes all capabilities of the basic drive plus:

  • Infinite positioning with EtherNet/IP CIP I/O commands
  • Dual port with internally managed switch for daisy chaining to reduce cabling
  • Analog output echoing actuator position
  • Easy to use Add-On Profiles (AOP-software) for use with the Studio 5000 Logix Designer / RSLogix 5000
  • Easy guide for implementing Add-On Instructions (AOI) for use with the Studio 5000 Logix Designer / RSLogix 5000

Modbus TCP option includes all capabilities of the basic drive plus:

  • Infinite positioning with Modbus TCP commands
  • Dual port with internally managed switch for daisy chaining to reduce cabling
  • Analog output echoing actuator position

Use the links below to locate a Tolomatic distributor in your area, find out more information on how to specify and configure your actuator, service parts information, and selection guidelines and tips.

Find a Tolomatic distributor

Information Center: